附錄A 非收縮型防火涂料和防火板等效導熱系數測試體例
A.0.1 現場施工所接納防火資料的導熱系數可按以下步驟停止檢測:1 預制圖A.0.1-1 所示截面的鋼試件,長度1.0m。
2 在 鋼布局防火工程的施工現場,接納現場施工的防火資料對鋼試件停止防火掩護(圖A.0.1-2 ) , 厚度取20mm。試件兩頭用不異防火資料封堵.
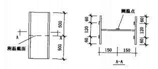
3 對鋼試件停止標準火警升溫實驗,量測1.5h 時辰試件在圖A.0.1-3 所示測點處的溫度。
圖A.0.1-1 鋼試件截面

圖 A.0.1-2 防火掩護試件截面

圖 A.0.1-2 防火掩護試件截面


圖A.0.1-3 試件上溫度測點安排

對接納非收縮型防火涂料掩護的試件:
λi逐一防火資料的導熱系數[〔 W/(m·℃)]。
5 若是各側點的最高沮度Tmax和均勻溫度To知足以下公式:
A.0.2 非收縮型防火涂料和防火板的等效導熱系數,可按以下步驟停止測定:
1 預制圖A.0.1-1 所示截面的鋼試件,長度1.0m。
2 接納待測防火資料對鋼試件停止防火掩護(圖A.0.1-2 ) ,厚度取20mm。試件兩頭用不異防火資料封堵。
3 對鋼試件停止標準火警升溫實驗,量測1.5h 時辰試件在圖A.0.1-3 所示測點處的溫度。
4 計較各測點的均勻溫度T0。
5 計較防火資料的等效導熱系數λi[〔 W/(m·℃)]。
對非收縮型防火涂料:


微信支付公家號
客服熱線微商